|
 |
СВЯЖИТЕСЬ С НАМИ:
+38 ( 073 ) 242-57-58
телефон | Viber | WhatsApp
| |
|  | |
|
|
| |

<<< в подраздел НАПРАВЛЯЮЩИЕ ЭЛЕМЕНТЫ
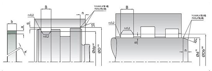
Перечень поставляемых типоразмеров:
| code number |
a |
B (-0/+0,2) |
b |
| KPB 2,5X10 |
2,5 |
10 |
9,8 |
| KPB 2,5X15 |
2,5 |
15 |
14,8 |
| KPB 2,5X20 |
2,5 |
20 |
19,8 |
| KPB 2,5X25 |
2,5 |
25 |
24,5 |
| KPB 2,5X5,6 |
2,5 |
5,6 |
5,4 |
| KPB 2,5X9,7 |
2,5 |
9,7 |
9,5 |
| KPB 2X10 |
2 |
10 |
9,8 |
| KPB 2X15 |
2 |
15 |
14,8 |
| KPB 2X20 |
2 |
20 |
19,8 |
| KPB 2X25 |
2 |
25 |
24,5 |
| KPB 3X15 |
3 |
15 |
14,8 |
| KPB 3X20 |
3 |
20 |
19,8 |
| KPB 3X25 |
3 |
25 |
24,5 |
| KPB 4X15 |
4 |
15 |
14,8 |
| KPB 4X20 |
4 |
20 |
19,8 |
| KPB 4X25 |
4 |
25 |
24,5 |
| KPB 4X9,7 |
4 |
9,7 |
9,5 |
<<< в подраздел НАПРАВЛЯЮЩИЕ ЭЛЕМЕНТЫ

|
|
|
 |
| © 2008 - 2025, ООО "Ратус" |
79019, Львов, ул.Липинского, д.36, тел. +38 (073) 242-57-58 |
C.O. |
|
| |