|
 |
СВЯЖИТЕСЬ С НАМИ:
+38 ( 073 ) 242-57-58
телефон | Viber | WhatsApp
| |
|  | |
|
|
| |

<<< в подраздел КОЛЬЦЕВЫЕ УПЛОТНЕНИЯ V-ring
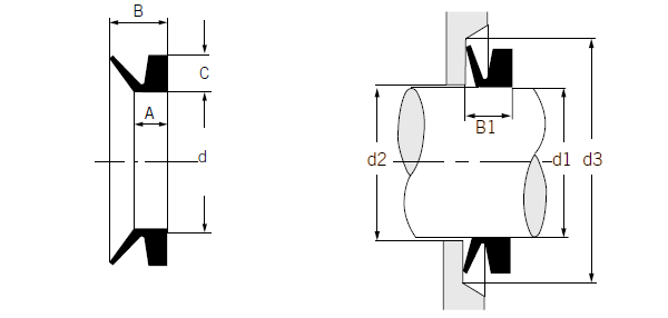
Перечень поставляемых типоразмеров:
| code number |
d1 |
d |
c |
A |
B |
d2 MAX |
d3 MIN |
B1 |
| V-3A |
2,7 - 3,5 |
2,5 |
1,5 |
2,1 |
3 |
d1 + 1 |
d1 + 4 |
2,5 ± 0,3 |
| V-4A |
3,5 - 4,5 |
3,2 |
2 |
2,4 |
3,7 |
d1 + 1 |
d1 + 6 |
3,0 ± 0,4 |
| V-5A |
4,5 - 5,5 |
4 |
2 |
2,4 |
3,7 |
d1 + 1 |
d1 + 6 |
3,0 ± 0,4 |
| V-6A |
5,5 - 6,5 |
5 |
2 |
2,4 |
3,7 |
d1 + 1 |
d1 + 6 |
3,0 ± 0,4 |
| V-7A |
6,5 - 8,0 |
6 |
2 |
2,4 |
3,7 |
d1 + 1 |
d1 + 6 |
3,0 ± 0,4 |
| V-8A |
8,0 - 9,5 |
7 |
2 |
2,4 |
3,7 |
d1 + 1 |
d1 + 6 |
3,0 ± 0,4 |
| V-10A |
9,5 - 11,5 |
9 |
3 |
3,4 |
5,5 |
d1 + 2 |
d1 + 9 |
4,5 ± 0,6 |
| V-12A |
11,5 - 12,5 |
10,5 |
3 |
3,4 |
5,5 |
d1 + 2 |
d1 + 9 |
4,5 ± 0,6 |
| V-13A |
12,5 - 13,5 |
11,7 |
3 |
3,4 |
5,5 |
d1 + 2 |
d1 + 9 |
4,5 ± 0,6 |
| V-14A |
13,5 - 15,5 |
12,5 |
3 |
3,4 |
5,5 |
d1 + 2 |
d1 + 9 |
4,5 ± 0,6 |
| V-16A |
15,5 - 17,5 |
14 |
3 |
3,4 |
5,5 |
d1 + 2 |
d1 + 9 |
4,5 ± 0,6 |
| V-18A |
17,5 - 19,0 |
16 |
3 |
3,4 |
5,5 |
d1 + 2 |
d1 + 12 |
6,0 ± 0,8 |
| V-20A |
19 - 21 |
18 |
4 |
4,7 |
7,5 |
d1 + 2 |
d1 + 12 |
6,0 ± 0,8 |
| V-22A |
21 - 24 |
20 |
4 |
4,7 |
7,5 |
d1 + 2 |
d1 + 12 |
6,0 ± 0,8 |
| V-25A |
24 - 27 |
22 |
4 |
4,7 |
7,5 |
d1 + 2 |
d1 + 12 |
6,0 ± 0,8 |
| V-28A |
27 - 29 |
25 |
4 |
4,7 |
7,5 |
d1 + 3 |
d1 + 12 |
6,0 ± 0,8 |
| V-30A |
29 - 31 |
27 |
4 |
4,7 |
7,5 |
d1 + 3 |
d1 + 12 |
6,0 ± 0,8 |
| V-32A |
31 - 33 |
29 |
4 |
4,7 |
7,5 |
d1 + 3 |
d1 + 12 |
6,0 ± 0,8 |
| V-35A |
33 - 36 |
31 |
4 |
4,7 |
7,5 |
d1 + 3 |
d1 + 12 |
6,0 ± 0,8 |
| V-38A |
36 - 38 |
34 |
4 |
4,7 |
7,5 |
d1 + 3 |
d1 + 12 |
6,0 ± 0,8 |
| V-40A |
38 - 43 |
36 |
5 |
5,5 |
9,0 |
d1 + 3 |
d1 + 15 |
7,0 ± 1,0 |
| V-45A |
43 - 48 |
40 |
5 |
5,5 |
9,0 |
d1 + 3 |
d1 + 15 |
7,0 ± 1,0 |
| V-50A |
48 - 53 |
45 |
5 |
5,5 |
9,0 |
d1 + 3 |
d1 + 15 |
7,0 ± 1,0 |
| V-55A |
53 - 58 |
49 |
5 |
5,5 |
9,0 |
d1 + 3 |
d1 + 15 |
7,0 ± 1,0 |
| V-60A |
58 - 63 |
54 |
5 |
5,5 |
9,0 |
d1 + 3 |
d1 + 15 |
7,0 ± 1,0 |
| V-65A |
63 - 68 |
58 |
5 |
5,5 |
9,0 |
d1 + 3 |
d1 + 15 |
7,0 ± 1,0 |
| V-70A |
86 - 73 |
63 |
6 |
6,8 |
11,0 |
d1 + 4 |
d1 + 18 |
9,0 ± 1,2 |
| V-75A |
73 - 78 |
67 |
6 |
6,8 |
11,0 |
d1 + 4 |
d1 + 18 |
9,0 ± 1,2 |
| V-80A |
78 - 83 |
72 |
6 |
6,8 |
11,0 |
d1 + 4 |
d1 + 18 |
9,0 ± 1,2 |
| V-85A |
83 - 88 |
76 |
6 |
6,8 |
11,0 |
d1 + 4 |
d1 + 18 |
9,0 ± 1,2 |
| V-90A |
88 - 93 |
81 |
6 |
6,8 |
11,0 |
d1 + 4 |
d1 + 18 |
9,0 ± 1,2 |
| V-95A |
93 - 98 |
85 |
6 |
6,8 |
11,0 |
d1 + 4 |
d1 + 18 |
9,0 ± 1,2 |
| V-100A |
98 - 105 |
90 |
6 |
6,8 |
11,0 |
d1 + 4 |
d1 + 18 |
9,0 ± 1,2 |
| V-110A |
105 - 115 |
99 |
7 |
7,9 |
12,8 |
d1 + 4 |
d1 + 21 |
10,5 ± 1,5 |
| V-120A |
115 - 125 |
108 |
7 |
7,9 |
12,8 |
d1 + 4 |
d1 + 21 |
10,5 ± 1,5 |
| V-130A |
125 - 135 |
117 |
7 |
7,9 |
12,8 |
d1 + 4 |
d1 + 21 |
10,5 ± 1,5 |
| V-140A |
135 - 145 |
126 |
7 |
7,9 |
12,8 |
d1 + 4 |
d1 + 21 |
10,5 ± 1,5 |
| V-150A |
145 - 155 |
135 |
7 |
7,9 |
12,8 |
d1 + 4 |
d1 + 21 |
10,5 ± 1,5 |
| V-160A |
155 - 165 |
144 |
8 |
9,0 |
14,5 |
d1 + 5 |
d1 + 24 |
12,0 ± 1,8 |
| V-170A |
165 - 175 |
153 |
8 |
9,0 |
14,5 |
d1 + 5 |
d1 + 24 |
12,0 ± 1,8 |
| V-180A |
175 - 185 |
162 |
8 |
9,0 |
14,5 |
d1 + 5 |
d1 + 24 |
12,0 ± 1,8 |
| V-190A |
185 - 195 |
171 |
8 |
9,0 |
14,5 |
d1 + 5 |
d1 + 24 |
12,0 ± 1,8 |
| V-199A |
195 - 210 |
180 |
8 |
9,0 |
14,5 |
d1 + 5 |
d1 + 24 |
12,0 ± 1,8 |
| V-200A |
190 - 210 |
180 |
15 |
14,3 |
25,0 |
d1 + 10 |
d1 + 45 |
20,0 ± 4,0 |
| V-220A |
210 - 235 |
198 |
15 |
14,3 |
25,0 |
d1 + 10 |
d1 + 45 |
20,0 ± 4,0 |
| V-250A |
235 - 265 |
225 |
15 |
14,3 |
25,0 |
d1 + 10 |
d1 + 45 |
20,0 ± 4,0 |
| V-275A |
265 - 290 |
247 |
15 |
14,3 |
25,0 |
d1 + 10 |
d1 + 45 |
20,0 ± 4,0 |
| V-300A |
290 - 310 |
270 |
15 |
14,3 |
25,0 |
d1 + 10 |
d1 + 45 |
20,0 ± 4,0 |
| V-325A |
310 - 335 |
292 |
15 |
14,3 |
25,0 |
d1 + 10 |
d1 + 45 |
20,0 ± 4,0 |
| V-350A |
335 - 365 |
315 |
15 |
14,3 |
25,0 |
d1 + 10 |
d1 + 45 |
20,0 ± 4,0 |
| V-375A |
365 - 390 |
337 |
15 |
14,3 |
25,0 |
d1 + 10 |
d1 + 45 |
20,0 ± 4,0 |
| V-400A |
390 - 430 |
360 |
15 |
14,3 |
25,0 |
d1 + 10 |
d1 + 45 |
20,0 ± 4,0 |
| V-450A |
430 - 480 |
405 |
15 |
14,3 |
25,0 |
d1 + 10 |
d1 + 45 |
20,0 ± 4,0 |
| V-500A |
480 - 530 |
450 |
15 |
14,3 |
25,0 |
d1 + 10 |
d1 + 45 |
20,0 ± 4,0 |
| V-550A |
530 - 580 |
495 |
15 |
14,3 |
25,0 |
d1 + 10 |
d1 + 45 |
20,0 ± 4,0 |
| V-600A |
580 - 630 |
540 |
15 |
14,3 |
25,0 |
d1 + 10 |
d1 + 45 |
20,0 ± 4,0 |
| V-650A |
630 - 665 |
600 |
15 |
14,3 |
25,0 |
d1 + 10 |
d1 + 45 |
20,0 ± 4,0 |
| V-700A |
665 - 705 |
630 |
15 |
14,3 |
25,0 |
d1 + 10 |
d1 + 45 |
20,0 ± 4,0 |
| V-725A |
705 - 745 |
670 |
15 |
14,3 |
25,0 |
d1 + 10 |
d1 + 45 |
20,0 ± 4,0 |
| V-750A |
745 - 785 |
705 |
15 |
14,3 |
25,0 |
d1 + 10 |
d1 + 45 |
20,0 ± 4,0 |
| V-800A |
785 - 830 |
745 |
15 |
14,3 |
25,0 |
d1 + 10 |
d1 + 45 |
20,0 ± 4,0 |
| V-850A |
830 - 875 |
785 |
15 |
14,3 |
25,0 |
d1 + 10 |
d1 + 45 |
20,0 ± 4,0 |
| V-900A |
875 - 920 |
825 |
15 |
14,3 |
25,0 |
d1 + 10 |
d1 + 45 |
20,0 ± 4,0 |
| V-950A |
920 - 965 |
865 |
15 |
14,3 |
25,0 |
d1 + 10 |
d1 + 45 |
20,0 ± 4,0 |
| V-1000A |
965 - 1015 |
910 |
15 |
14,3 |
25,0 |
d1 + 10 |
d1 + 45 |
20,0 ± 4,0 |
| V-1050A |
1015 - 1065 |
955 |
15 |
14,3 |
25,0 |
d1 + 10 |
d1 + 45 |
20,0 ± 4,0 |
| V-1100A |
1065 - 1115 |
1000 |
15 |
14,3 |
25,0 |
d1 + 10 |
d1 + 45 |
20,0 ± 4,0 |
| V-1150A |
1115 - 1165 |
1045 |
15 |
14,3 |
25,0 |
d1 + 10 |
d1 + 45 |
20,0 ± 4,0 |
| V-1200A |
1165 - 1215 |
1090 |
15 |
14,3 |
25,0 |
d1 + 10 |
d1 + 45 |
20,0 ± 4,0 |
| V-1250A |
1215 - 1270 |
1135 |
15 |
14,3 |
25,0 |
d1 + 10 |
d1 + 45 |
20,0 ± 4,0 |
| V-1300A |
1270 - 1320 |
1180 |
15 |
14,3 |
25,0 |
d1 + 10 |
d1 + 45 |
20,0 ± 4,0 |
| V-1350A |
1320 - 1370 |
1225 |
15 |
14,3 |
25,0 |
d1 + 10 |
d1 + 45 |
20,0 ± 4,0 |
| V-1400A |
1370 - 1420 |
1270 |
15 |
14,3 |
25,0 |
d1 + 10 |
d1 + 45 |
20,0 ± 4,0 |
| V-1450A |
1420 - 1470 |
1315 |
15 |
14,3 |
25,0 |
d1 + 10 |
d1 + 45 |
20,0 ± 4,0 |
| V-1500A |
1470 - 1520 |
1360 |
15 |
14,3 |
25,0 |
d1 + 10 |
d1 + 45 |
20,0 ± 4,0 |
| V-1550A |
1520 - 1570 |
1405 |
15 |
14,3 |
25,0 |
d1 + 10 |
d1 + 45 |
20,0 ± 4,0 |
| V-1600A |
1570 - 1620 |
1450 |
15 |
14,3 |
25,0 |
d1 + 10 |
d1 + 45 |
20,0 ± 4,0 |
| V-1650A |
1620 - 1670 |
1495 |
15 |
14,3 |
25,0 |
d1 + 10 |
d1 + 45 |
20,0 ± 4,0 |
| V-1700A |
1670 - 1720 |
1540 |
15 |
14,3 |
25,0 |
d1 + 10 |
d1 + 45 |
20,0 ± 4,0 |
| V-1750A |
1720 - 1770 |
1585 |
15 |
14,3 |
25,0 |
d1 + 10 |
d1 + 45 |
20,0 ± 4,0 |
| V-1800A |
1770 - 1820 |
1630 |
15 |
14,3 |
25,0 |
d1 + 10 |
d1 + 45 |
20,0 ± 4,0 |
| V-1850A |
1820 - 1870 |
1675 |
15 |
14,3 |
25,0 |
d1 + 10 |
d1 + 45 |
20,0 ± 4,0 |
| V-1900A |
1870 - 1920 |
1720 |
15 |
14,3 |
25,0 |
d1 + 10 |
d1 + 45 |
20,0 ± 4,0 |
| V-1950A |
1920 - 1970 |
1765 |
15 |
14,3 |
25,0 |
d1 + 10 |
d1 + 45 |
20,0 ± 4,0 |
| V-2000A |
1970 - 2020 |
1810 |
15 |
14,3 |
25,0 |
d1 + 10 |
d1 + 45 |
20,0 ± 4,0 |
<<< в подраздел КОЛЬЦЕВЫЕ УПЛОТНЕНИЯ V-ring

|
|
|
 |
| © 2008 - 2025, ООО "Ратус" |
79019, Львов, ул.Липинского, д.36, тел. +38 (073) 242-57-58 |
C.O. |
|
| |