|
 |
СВЯЖИТЕСЬ С НАМИ:
+38 ( 073 ) 242-57-58
телефон | Viber | WhatsApp
| |
|  | |
|
|
| |

<<< в подраздел КОЛЬЦЕВЫЕ УПЛОТНЕНИЯ V-ring
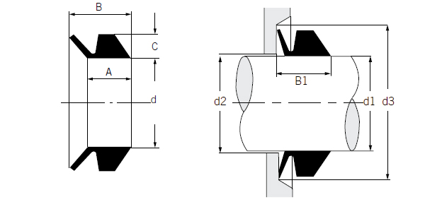
Перечень поставляемых типоразмеров:
| code number |
d1 |
d |
c |
A |
B |
d2 MAX |
d3 MIN |
B1 |
| V-5S |
4,5 - 5,5 |
4 |
2 |
3,9 |
5,2 |
d1+ 1 |
d1+ 6 |
4,5±0,4 |
| V-6S |
5,5 - 6,5 |
5 |
2 |
3,9 |
5,2 |
d1+ 1 |
d1+ 6 |
4,5±0,4 |
| V-7S |
6,5 - 8,0 |
6 |
2 |
3,9 |
5,2 |
d1+ 1 |
d1+ 6 |
4,5±0,4 |
| V-8S |
8,0 - 9,5 |
7 |
2 |
3,9 |
5,2 |
d1+ 1 |
d1+ 6 |
4,5±0,4 |
| V-10S |
9,5 - 11,5 |
9 |
3 |
5,6 |
7,7 |
d1+ 2 |
d1+ 9 |
6,7±0,6 |
| V-12S |
11,5 - 13,5 |
10,5 |
3 |
5,6 |
7,7 |
d1+ 2 |
d1+ 9 |
6,7±0,6 |
| V-14S |
13,5 - 15,5 |
12,5 |
3 |
5,6 |
7,7 |
d1+ 2 |
d1+ 9 |
6,7±0,6 |
| V-16S |
15,5 - 17,5 |
14 |
3 |
5,6 |
7,7 |
d1+ 2 |
d1+ 9 |
6,7±0,6 |
| V-18S |
17,5 - 19,0 |
16 |
3 |
5,6 |
7,7 |
d1+ 2 |
d1+ 9 |
6,7±0,6 |
| V-20S |
19 - 21 |
18 |
4 |
7,9 |
10,5 |
d1+ 2 |
d1+12 |
9,0±0,8 |
| V-22S |
21 - 24 |
20 |
4 |
7,9 |
10,5 |
d1+ 2 |
d1+12 |
9,0±0,8 |
| V-25S |
24 - 27 |
22 |
4 |
7,9 |
10,5 |
d1+ 2 |
d1+12 |
9,0±0,8 |
| V-28S |
27 - 29 |
25 |
4 |
7,9 |
10,5 |
d1+ 3 |
d1+12 |
9,0±0,8 |
| V-30S |
29 - 31 |
27 |
4 |
7,9 |
10,5 |
d1+ 3 |
d1+12 |
9,0±0,8 |
| V-32S |
31 - 33 |
29 |
4 |
7,9 |
10,5 |
d1+ 3 |
d1+12 |
9,0±0,8 |
| V-35S |
33 - 36 |
31 |
4 |
7,9 |
10,5 |
d1+ 3 |
d1+12 |
9,0±0,8 |
| V-38S |
36 - 38 |
34 |
4 |
7,9 |
10,5 |
d1+ 3 |
d1+12 |
9,0±0,8 |
| V-40S |
38 - 43 |
36 |
5 |
9,5 |
13,0 |
d1+ 3 |
d1+15 |
11,0±1,0 |
| V-45S |
43 - 48 |
40 |
5 |
9,5 |
13,0 |
d1+ 3 |
d1+15 |
11,0±1,0 |
| V-50S |
48 - 53 |
45 |
5 |
9,5 |
13,0 |
d1+ 3 |
d1+15 |
11,0±1,0 |
| V-55S |
53 - 58 |
49 |
5 |
9,5 |
13,0 |
d1+ 3 |
d1+15 |
11,0±1,0 |
| V-60S |
58 - 63 |
54 |
5 |
9,5 |
13,0 |
d1+ 3 |
d1+15 |
11,0±1,0 |
| V-65S |
63 - 68 |
58 |
5 |
9,5 |
13,0 |
d1+ 3 |
d1+15 |
11,0±1,0 |
| V-70S |
68 - 73 |
63 |
6 |
11,3 |
15,5 |
d1+ 4 |
d1+18 |
13,5±1,2 |
| V-75S |
73 - 78 |
67 |
6 |
11,3 |
15,5 |
d1+ 4 |
d1+18 |
13,5±1,2 |
| V-80S |
78 - 83 |
72 |
6 |
11,3 |
15,5 |
d1+ 4 |
d1+18 |
13,5±1,2 |
| V-85S |
83 - 88 |
76 |
6 |
11,3 |
15,5 |
d1+ 4 |
d1+18 |
13,5±1,2 |
| V-90S |
88 - 93 |
81 |
6 |
11,3 |
15,5 |
d1+ 4 |
d1+18 |
13,5±1,2 |
| V-95S |
93 - 98 |
85 |
6 |
11,3 |
15,5 |
d1+ 4 |
d1+18 |
13,5±1,2 |
| V-100S |
98 - 105 |
90 |
6 |
11,3 |
15,5 |
d1+ 4 |
d1+18 |
13,5±1,2 |
| V-110S |
105 - 115 |
99 |
7 |
13,1 |
18,0 |
d1+ 4 |
d1+21 |
15,5±1,5 |
| V-120S |
115 - 125 |
108 |
7 |
13,1 |
18,0 |
d1+ 4 |
d1+21 |
15,5±1,5 |
| V-130S |
125 - 135 |
117 |
7 |
13,1 |
18,0 |
d1+ 4 |
d1+21 |
15,5±1,5 |
| V-140S |
135 - 145 |
126 |
7 |
13,1 |
18,0 |
d1+ 4 |
d1+21 |
15,5±1,5 |
| V-150S |
145 - 155 |
135 |
7 |
13,1 |
18,0 |
d1+ 4 |
d1+21 |
15,5±1,5 |
| V-160S |
155 - 165 |
144 |
8 |
15,0 |
20,5 |
d1+ 5 |
d1+24 |
18,0±1,8 |
| V-170S |
165 - 175 |
153 |
8 |
15,0 |
20,5 |
d1+ 5 |
d1+24 |
18,0±1,8 |
| V-180S |
175 - 185 |
162 |
8 |
15,0 |
20,5 |
d1+ 5 |
d1+24 |
18,0±1,8 |
| V-190S |
185 - 95 |
171 |
8 |
15,0 |
20,5 |
d1+ 5 |
d1+24 |
18,0±1,8 |
| V-199S |
195 - 210 |
180 |
8 |
15,0 |
20,5 |
d1+ 5 |
d1+24 |
18,0±1,8 |
<<< в подраздел КОЛЬЦЕВЫЕ УПЛОТНЕНИЯ V-ring

|
|
|
 |
| © 2008 - 2025, ООО "Ратус" |
79019, Львов, ул.Липинского, д.36, тел. +38 (073) 242-57-58 |
C.O. |
|
| |