|

<<< в подраздел КОЛЬЦЕВЫЕ УПЛОТНЕНИЯ V-ring
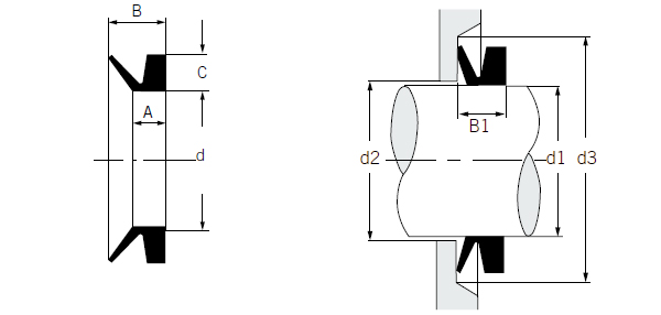
Перечень поставляемых типоразмеров:
| code number |
d1 |
d |
| V - 140L |
135 - 145 |
126 |
| V - 150L |
145 - 155 |
135 |
| V - 160L |
155 - 165 |
144 |
| V - 170L |
165 - 175 |
153 |
| V - 180L |
175 - 185 |
162 |
| V - 190L |
185 - 195 |
171 |
| V - 200L |
195 - 210 |
182 |
| V - 220L |
210 - 233 |
198 |
| V - 250L |
233 - 260 |
225 |
| V - 275L |
260 - 285 |
247 |
| V - 300L |
285 - 310 |
270 |
| V - 325L |
310 - 335 |
292 |
| V - 350L |
335 - 365 |
315 |
| V - 375L |
365 - 385 |
337 |
| V - 400L |
385 - 410 |
360 |
| V - 425L |
410 - 440 |
382 |
<<< в подраздел КОЛЬЦЕВЫЕ УПЛОТНЕНИЯ V-ring

|